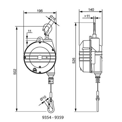
Tool balancer, heavy-weight design

With the help of the REMA spring balancers, electric and pneumatic tools can be operated with minimal weight and posioned at the correct height.

Properties

  • Aluminum body.
  • Specially designed coil spring ensures a low-noise run.
  • Adjustable load capacity (button).
  • Carabiner attached.

Show more

excl. VAT
Part code:
REMA

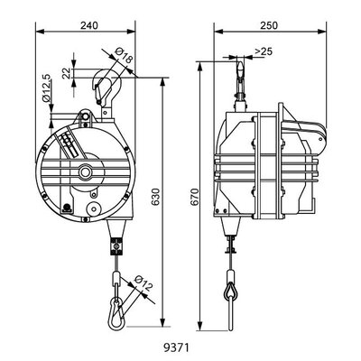
With the help of the REMA spring balancers, electric and pneumatic tools can be operated with minimal weight and posioned at the correct height.

Properties

  • Aluminum body.
  • Specially designed coil spring ensures a low-noise run.
  • Adjustable load capacity (button).
  • Carabiner attached.
  • Extra safety suspension, for safety chain.
  • Flexible stainless steel cable.
  • Resistance-free and wear-resistant cable guide.
  • Adjustable cable length.
  • Insulated suspension system.
  • Fixation at a point.
  • Bearing conical drum, this keeps the tension always the same.
  • Adjustable capacity through a screw.
  • Fixation of the desired cable length in several places by separate remote control.
  • Rotatable top hook with safety latch.

Applications

  • For working with heavy electric and pneumatic tools, measuring equipment etc.

On request:

  • Various spring balancers are also available in ATEX version. Ex II 2 GDc II T 85 ° (T 6).
  • Marking: According to standard, CE-marked
  • Standard: EN 12100, DIN-EN 15112
Download Document