Material handling Hoist Red Rooster TCR (125 - 250 kg)

Air chain hoist for material handling.
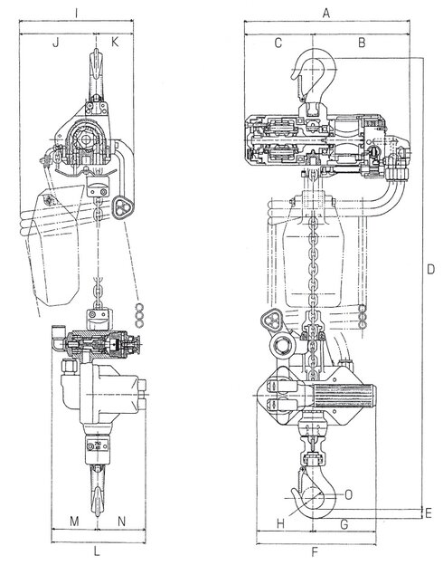
These types Red Rooster Compact pneumatic driven Hoist are very suitable for "Material-Handling". The pendant control is direct on the lower hook so the operator can control and position the load easy and direct. The perfect solution for horizontal movements is

Show more

excl. VAT
Part code:

Air chain hoist for material handling.
These types Red Rooster Compact pneumatic driven Hoist are very suitable for "Material-Handling". The pendant control is direct on the lower hook so the operator can control and position the load easy and direct. The perfect solution for horizontal movements is the combination with a push trolley.

Standard features:

  • Pendant control direct on the lower hook.
  • Optimum load control, very precise positioning.
  • One-hand control.
  • Soft start and stop, no shock movements.
  • Handle can be positioned for left-hand or righthand operation.
  • Endstop system.

Recommended:

We strongly recommend using an air handling unit, e.g. from SMC (offered separately).

  • Marking: CE-marked
Download Document